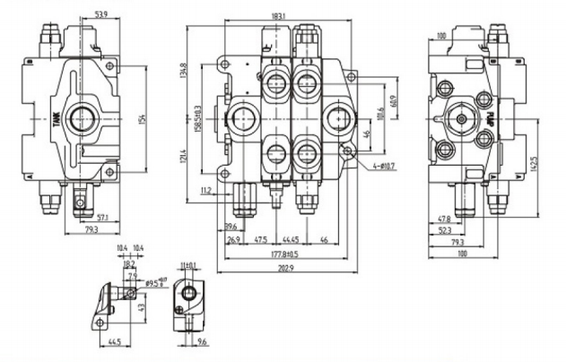
DVA20-DVG20 series valve overview
The DVA20–DVG20 series are modular hydraulic directional control valves with a sectional, stackable design for flexible system configuration. They provide reliable control of oil flow direction and system pressure, support multiple actuation methods, and integrate relief valve options. With high flow capacity, stable performance, and easy customization, they are widely used in construction machinery and mobile hydraulic systems.

Key Features
Sectional, stackable design allows flexible configuration of multiple work sections to suit different hydraulic circuits
Built-in full-flow relief valve options provide effective system pressure protection
Supports multiple actuation methods, including manual, hydraulic, pneumatic, and electric control
Interchangeable left-hand and right-hand spool configurations for easy installation and system layout
Low spool operating force enables smooth, precise metering control
Advantages
High flexibility and customization to meet various system requirements
Reliable and stable performance in demanding hydraulic applications
Improved system safety through integrated relief and load-holding functions
Easy installation, servicing, and future expansion due to modular construction
Suitable for a wide range of industrial and mobile hydraulic equipment applications、

Application
1. Industrial Hydraulic Systems
2. Mobile Equipment
3. Construction and Engineering Machinery
4. Metallurgy and Steel Industry
5. Marine and Offshore Equipment

Packaging & Delivery
Gear pumps are typically packaged securely to prevent damage during transit. The packaging includes:
Protective Wrapping: To safeguard the pump from environmental damage.
Custom Crates: For larger, heavier pumps, ensuring safe handling.
Documentation: Includes installation, maintenance instructions, and warranty details.
Delivery time depends on the model, customizations, and location but typically ranges from 2 to 6 weeks from the order date.

Certifications & Quality Assurance
All vane pumps are manufactured in compliance with international standards, ensuring high performance and reliability:
ISO 9001: Certified for quality management systems.
CE Certification: Ensures compliance with European safety, health, and environmental protection standards.
RoHS Compliance: Ensures the pump does not contain hazardous materials.
Factory Testing: Every pump is rigorously tested for performance, pressure, and leak integrity before shipping.

FAQ
1.Are you a manufacture for the vane pump or a wholesale ?
We are a manufacture for vane pumps。.We are located in Changzhou City, Jiangsu Province, China.Welcome to visit us.
2.What's our advantages?
Factory established in 2005;
With a great deal of production experience;
80+ employees become the professional team;
Constant updated ERP system ensure efficiency of work;
Sophisticated equipment ehanced the accuracy of products;
Professional salesmen provide the greast service;
With a large number of famous customers all over the world;
Great after-sales service;
With the long term cooperation with famous logistics and express company in China,provide the better goods service.
3.What is your payment terms?
Small order/sample order,full payment in advance; Big orders send the first payment 30% before the production,and the balance before shippment.We'll show the photos of the products and packages before delivery.
4.Can you make my own brand on the products?
Of course we can. Just send me your logo we can make it for you.
5.What is our main export market?
America(40.5%):USA, Canada, Argentina, Brazil
Europe(30.8%):Italy,Germany,England,Holland,Spain,Swiss,Finland,Russia,Poland.
Asia(23.5%):Korea,singapore,India,Turkey,Vietnam,Saudi Arabia,Syria, Israel,Lebanon.
Others(5.8%).
The Green hydraulic pump manufacturing facility is a specialized industrial plant that focuses on producing hydraulic pumps and related components. These factories are equipped with advanced machinery and technology to fabricate high-quality pumps designed for a wide range of applications, from heavy equipment and machinery to automotive and industrial systems.
The production process typically involves precision engineering, where raw materials like metals and alloys are processed into pump components such as gears, pistons, cylinders, and seals. These parts are then assembled into fully functional hydraulic pumps, which are tested for performance and quality control to ensure reliability, efficiency, and durability under various working conditions.
Green Hydraulic's manufacturing facilities for hydraulic pumps maintain stringent quality standards, often adhering to international certifications, to meet the expectations of customers in industries such as construction, agriculture, automotive, and manufacturing.
All hydraulic pumps produced by Green Hydraulic have undergone compliance testing, ensuring their quality and reliability.
To meet the diverse needs of different industries, the green hydraulic offer customization options, such as specialized seals, materials, and pump configurations. These facilities often work closely with engineering teams to develop tailored solutions for specific applications, from high-pressure systems to low-flow, high-efficiency pumps.
Each pump undergoes a rigorous quality control process, where pressure tests and performance assessments are conducted to ensure that the pumps meet the required standards for flow rate, pressure capacity, and durability.

