YCY Piston Pump
Green Hydraulic
Yes
ISO9001,CE
Standard
1 set
Right hand or Left hand
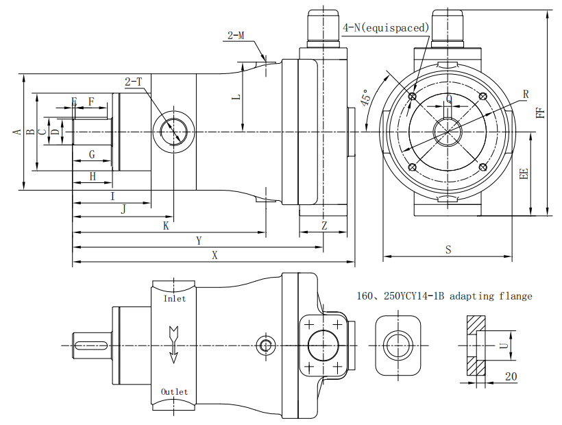
straight key shaft and spline shaft
| Availability: | |
|---|---|
Product Description
YCY Piston Pump
Displacements range from 10 to 250 (400) ml/r to meet different hydraulic system needs.
Pressure rated up to 315 bar ensuring reliable performance under high pressure conditions.
The operating speed range is 60 (80) from 1.25 ml/r to 1500 r/min, providing efficient functionality in a variety of applications.
Designed for displacements between 160 ml/r and 400 ml/r, offering versatility in system configuration.
High efficiency and long lifespan: Utilizing an advanced hydrostatic balance design, friction loss is reduced, efficiency is improved, and a long service life is ensured.
High-pressure performance: Capable of providing pressures up to 315 bar, suitable for demanding high-pressure environments.
Compact structure: Smaller in size and lighter in weight compared to other pump types, facilitating easy installation.
Strong self-priming capability: Possesses excellent self-priming performance, making it easy to start.
Variable displacement: Displacement can be adjusted according to requirements, adapting to different operating conditions.
High durability: Made with high-quality materials and corrosion-resistant coatings, suitable for harsh environments and requiring low maintenance costs.

Industrial Machinery: They are commonly found in injection molding machines, metal cutting equipment, and plastic machinery.
Mobile Machinery: These pumps are utilized in compact, medium-duty mobile hydraulic systems.
Other Uses: They can also be found in specific equipment like Graco 833 paint sprayer machines.

Piston pumps are typically packaged securely to prevent damage during transit. The packaging includes:
Protective Wrapping: To safeguard the pump from environmental damage.
Custom Crates: For larger, heavier pumps, ensuring safe handling.
Documentation: Includes installation, maintenance instructions, and warranty details.
Delivery time depends on the model, customizations, and location but typically ranges from 2 to 6 weeks from the order date.
All vane pumps are manufactured in compliance with international standards, ensuring high performance and reliability:
ISO 9001: Certified for quality management systems.
CE Certification: Ensures compliance with European safety, health, and environmental protection standards.
RoHS Compliance: Ensures the pump does not contain hazardous materials.
Factory Testing: Every pump is rigorously tested for performance, pressure, and leak integrity before shipping.

The pump's flow is adjusted by changing the angle of an internal swash plate. As the swash plate angle changes, the stroke length of the pistons varies, which in turn changes the volume of fluid displaced per rotation, allowing the flow rate to adapt to the system's needs.
We are a manufacture for vane pumps。.We are located in Changzhou City, Jiangsu Province, China.Welcome to visit us.
Factory established in 2005;
With a great deal of production experience;
80+ employees become the professional team;
Constant updated ERP system ensure efficiency of work;
Sophisticated equipment ehanced the accuracy of products;
Professional salesmen provide the greast service;
With a large number of famous customers all over the world;
Great after-sales service;
With the long term cooperation with famous logistics and express company in China,provide the better goods service.
Small order/sample order,full payment in advance; Big orders send the first payment 30% before the production,and the balance before shippment.We'll show the photos of the products and packages before delivery.
Of course we can. Just send me your logo we can make it for you.
America(40.5%):USA, Canada, Argentina, Brazil
Europe(30.8%):Italy,Germany,England,Holland,Spain,Swiss,Finland,Russia,Poland.
Asia(23.5%):Korea,singapore,India,Turkey,Vietnam,Saudi Arabia,Syria, Israel,Lebanon.
Others(5.8%).
The Green hydraulic pump manufacturing facility is a specialized industrial plant that focuses on producing hydraulic pumps and related components. These factories are equipped with advanced machinery and technology to fabricate high-quality pumps designed for a wide range of applications, from heavy equipment and machinery to automotive and industrial systems.
The production process typically involves precision engineering, where raw materials like metals and alloys are processed into pump components such as gears, pistons, cylinders, and seals. These parts are then assembled into fully functional hydraulic pumps, which are tested for performance and quality control to ensure reliability, efficiency, and durability under various working conditions.
All hydraulic pumps produced by Green Hydraulic have undergone compliance testing, ensuring their quality and reliability.
To meet the diverse needs of different industries, the green hydraulic offer customization options, such as specialized seals, materials, and pump configurations. These facilities often work closely with engineering teams to develop tailored solutions for specific applications, from high-pressure systems to low-flow, high-efficiency pumps.

